稱重傳感器HLJ-2T HLJ-1t梅特勒托利多
產品品牌:瑞士梅特勒托利多METTLER TOLEDO
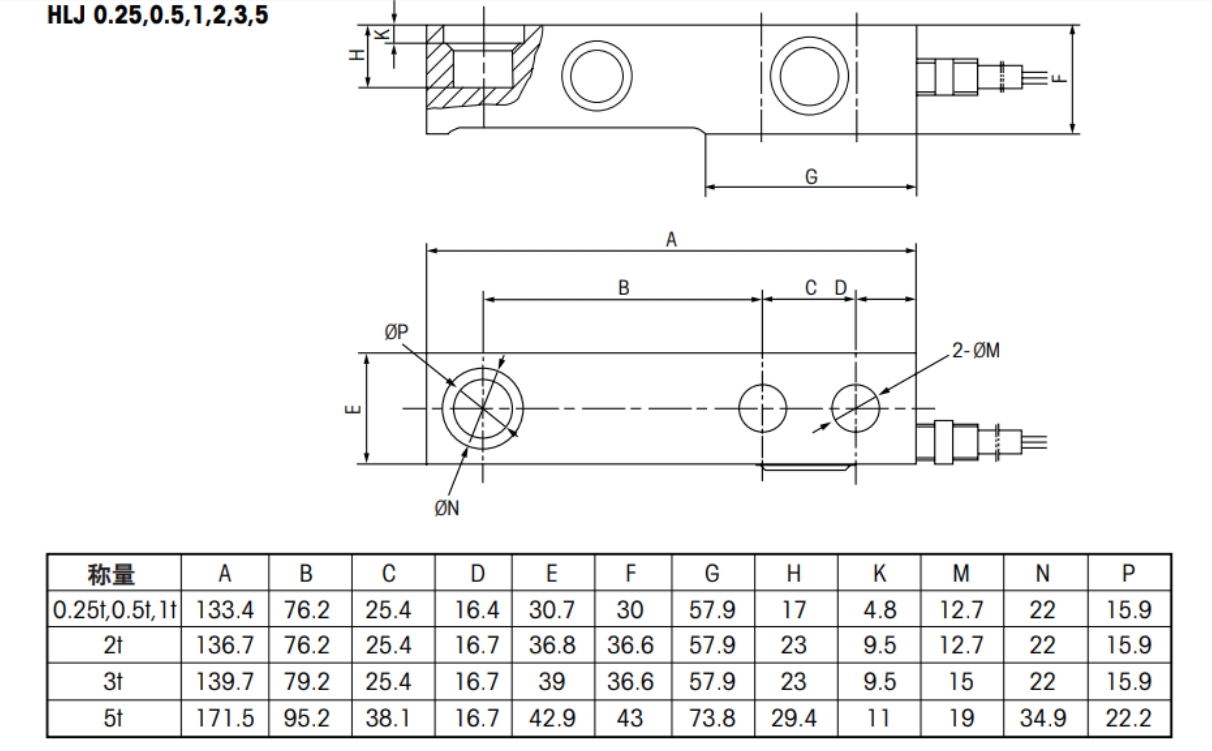
產品型號:HLJ-2T HLJ-1T
梅特勒托利多傳感器稱重傳感器產品描述:
不銹鋼材質,激光焊接密封,防護等級IP68
安裝高度低,結構緊湊,長期穩(wěn)定性好
量程范圍:250,500,1000,2000,3000,5000Kg
適用于地上衡、化工、建材等行業(yè)配料稱重控制等

梅特勒-托利多S型稱重傳感器完整型號推薦:
HLJ-0.5T
HLJ-0.25t
HLJ-2T
HLJ-1t
HLJ-3t
HLJ-5t
METTLER TOLEDO稱重傳感器相關知識拓展閱讀:
稱重傳感器的靈敏度:2.0mV/V是什么意思? 傳感器的靈敏度為1mV/V,意思是在5VDC激勵電源作用下,傳感器在額定載荷時的輸出信號應該為:Uout=S*Uin=1mV/V*5V=5mV 一般而言,靈敏度大對測量電路要求低.但是,靈敏度過大之后,一般也會要求測量電路的測量范圍寬。比較理想的是選擇合適的靈敏度,使傳感器在你關心的測量范圍內輸出零至滿幅的信號。這樣你的測量電路的測量范圍就能充分利用,最大限度上提高測量精度。 傳感器的靈敏度: 靈敏度是指傳感器在穩(wěn)態(tài)工作情況下輸出量變化△y對輸入量變化△x的比值。它是輸出一輸入特性曲線的斜率.如果傳感器的輸出和輸入之間顯線性關系,則靈敏度S是一個常數,否則,它將隨輸入量的變化而變化。靈敏度的量綱是輸出、輸入量的量綱之比。例如:某位移傳感器,在位移變化1mm時,輸出電壓變化為200mV,則其靈敏度應表示為200mV/mm。當傳感器的輸出、輸入量的量綱相同時,靈敏度可理解為放大倍數.提高靈敏度,可得到較高的測量精度。但靈敏度愈高,測量范圍愈窄,穩(wěn)定性也往往愈差。
【廣州★南創(chuàng)】瑞士梅特勒托利多METTLER TOLEDO稱重傳感器HLJ-2T,哪里有賣METTLER TOLEDO稱重傳感器HLJ-1T,梅特勒托利多稱重傳感器HLJ-2T,HLJ-1T傳感器價格資訊及產品服務,請撥打全國服務熱線電話:020-82303306。